Pressure and Flow Load

The Pressure and Flow Load is used with Pumps and Motor Coupling Pumps.

 

The Pressure and Flow mechanism inputs are:

 

The Kinematic Viscosity has an allowed range minimum and maximum for the selected pump. Any value is permitted, however a System Check message occurs when the value is outside the valid range for the selected pump.

The Oil Density can be zero, but best to use if it is known. A common value for hydaulic oil is 879 kg/m3.

In many pump formulae, the Kinematic Viscosity [v] and/or Oil Density [dOil] variables are used. And if the variables are set to zero, but the pump formulae in the database (eg. Q, M, L, etc.) uses them, then System Check informs the user as a critical alarm.

The Pressure Offset provides a simple way to include a pressure drop or increase between the tank and the pump. For example, the Pressure Offset can be used to handle the pressure difference due to the pump being above, below or inside the tank.


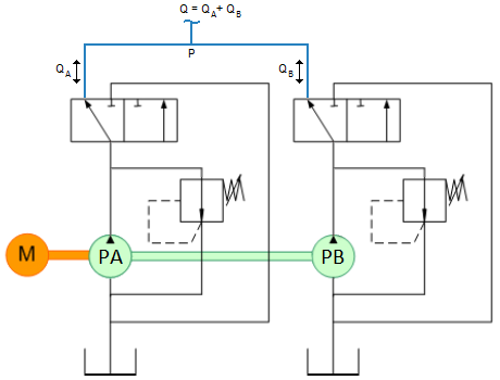
Two Pumps

Select the '2 Pumps' checkbox to enable the Two Pumps feature as shown in red below. This enables the Pressure and Flow Sequence to be defined for two pumps, where either one or both Pumps A & B can be enabled for each segment. Then in the Pump Database, pumps are listed as Pump A & B, and the pair are selected together as Pump A & B. Also specify the pressure drop of the short circuit when one of the pumps is not active.


Schematic: Two Pumps configuration with both Pumps (PA & PB) flowing

 

Schematic: Two Pumps configuration with Pump A (PA) flowing and Pump B (PB) in short circuit

 

Related topics